Nicht selten steht bei vielen bastelfreudigen Leuten und frisch gebackenen Selbstbauern
einmal der Wunsch an, eine kleine Partyanlage aufzubauen. Dieses kurze Paper
beschäftigt sich mit einem passablen, allerdings nur auf Simulationen beruhenden
Satelitenlautsprecher für den Einsatz im Partykeller, bei Gartenfesten und Garagenfeiern.
Als Gehäusegrundlage dient der Plan eines 8 Zoll PA-Topteils eines großen deutschen
Herstellers. Das Fohhn XT-10 Topteil ist unheimlich handlich und unauffällig, dennoch erzielt
es eine grandiose Performance in jedem Bereich. Die groben Maße des Gehäuses, Höhe,
Breite, Tiefe und Monitorwinkel, wurden übernommen, das Innenleben hingegen wurde
komplett gegen einen bloß 50€ "teuren" Bausatz ersetzt. *
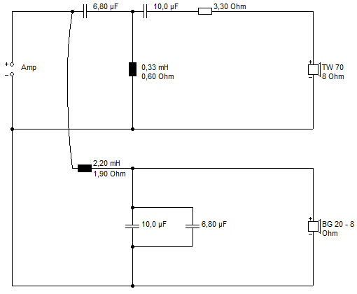
Der Frequenzgang ist mit einer Schwankung von ca. 4dB laut Simulation erstaunlich linear
geworden und erstreckt sich von ca. 80Hz bis auf ca. 17kHz. Auch Unter Winkel erreicht die
Box bei 30° seitlicher Abweichung noch eine obere Grenzfrequenz von ca. 10kHz. Sie ist
demnach so abgestimmt, dass sie unter Winkel, also neben der Tanzfläche, nicht nervend
klingt. Der abfallende Hochton trägt dazu massiv bei. Der Wirkungsgrad liegt bei guten 89dB
bei einer Impedanz von 8 Ohm im wichtigen Bereich (Rmin 5,0 Ohm @ 3kHz).
| Eckdaten: | ||
|---|---|---|
| Abmessungen | 44,0 x 24,4 x 25,8cm (HxBxT) | |
| Frontversatz | 2,4 cm | |
| Gehäusematerial | 12mm MPX | |
| Brutto-/Nettovolumen | 23L / 17L (geschlossen) | |
| Trennfrequenz | ca. 2kHz | |
| Belastbarkeit | 25W (Fullrange) / 100W (mit HPF 12dB @ 130Hz) | |
| Wirkungsgrad (2,83V) | 89dB (MaxSPL 103dB / 109dB) | |
| Frequenzgang (-4dB) | 80Hz - 17kHz | |
| Impedanz | 8 Ohm (Rmin 5,0 Ohm @ 3kHz) | |
| Empfohlenes HPF | 130 min. 12dB/Oktave |

Größenvergleich mit einer Bierkiste und der BG 20 Partybox:




*) Die Abmessungen des Gehäuses wurden den frei zugänglichen Layout-Zeichnungen auf der Fohhn-Homepage entnommen.